 
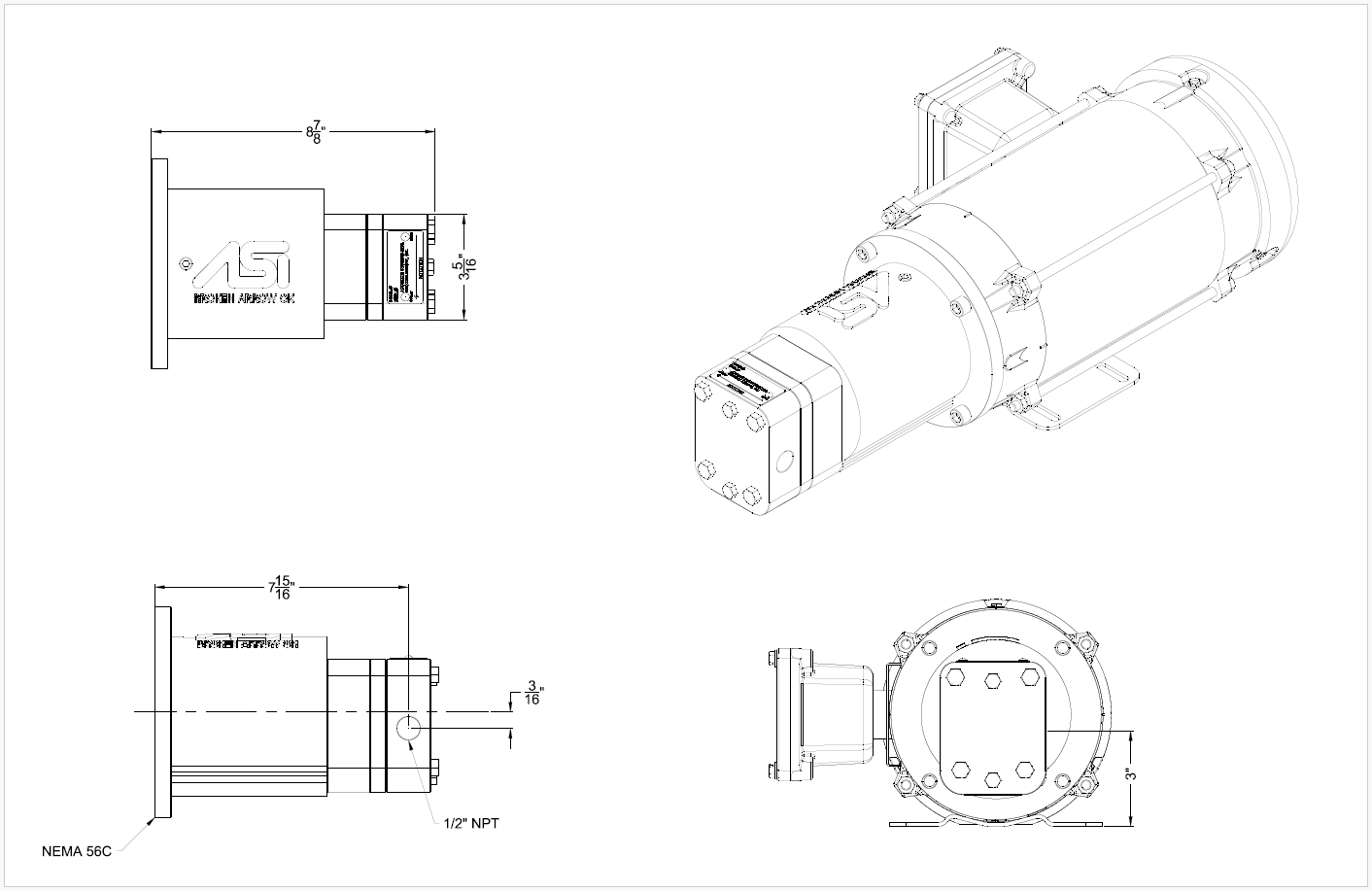
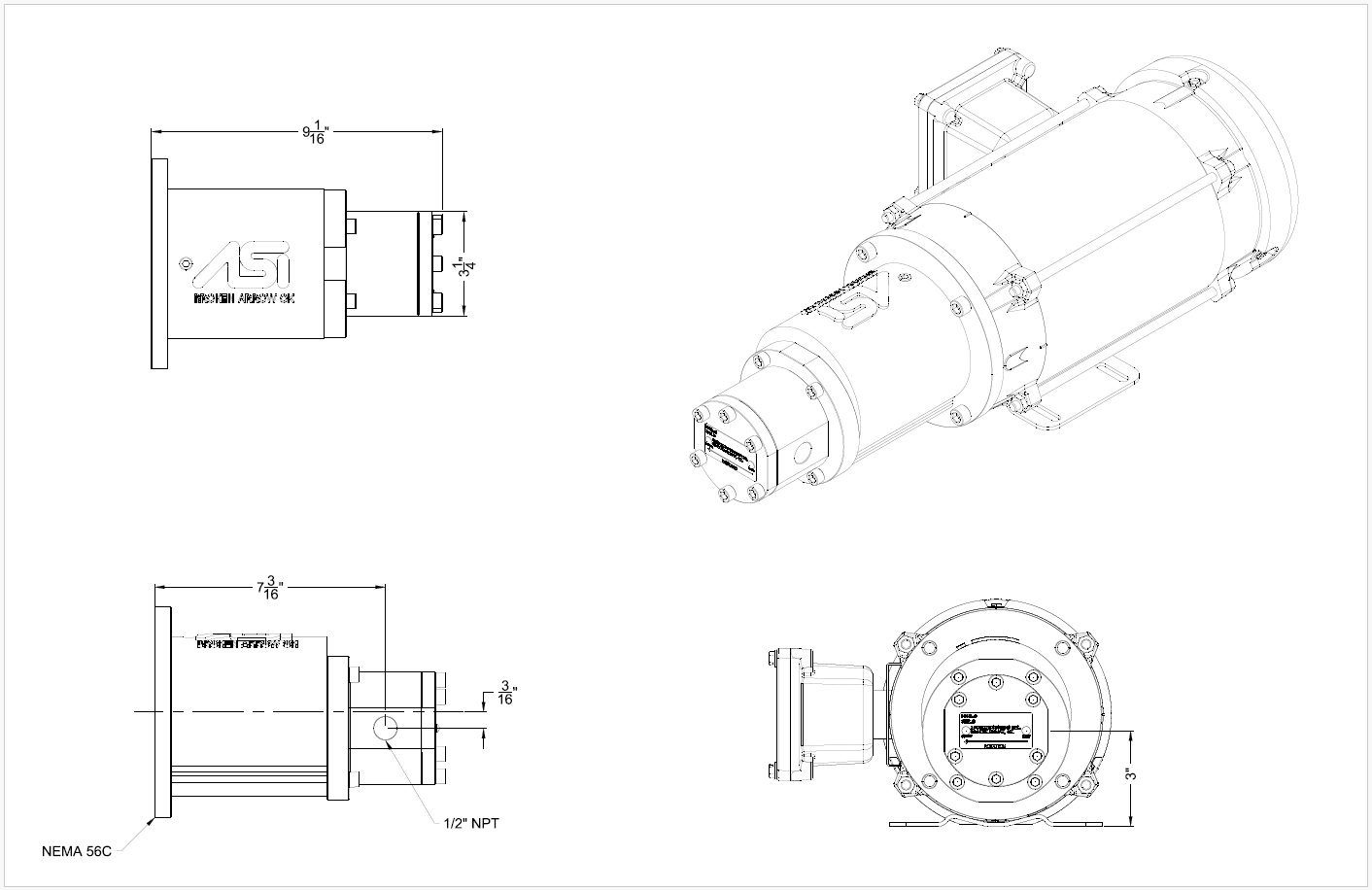
			ASI Magnetically-Coupled Seal-less Gear Pump
Additive Systems Inc. (ASI) designed its own magnetically-driven gear pump in 1992. Since that time several different pump models have evolved making ASI the standard in the refined products industry. In 1992 ASI offered an unprecedented 3-year “no-leak” warranty for all it’s seal-less gear pumps, not to mention a 1-year manufacturer’s warranty. The recent introduction of our Hammer line of pumps for harsh duty makes our line of chemical pumps very attractive. Now, more than 20 years later, there is still no other additive pump manufacturer in our industry that can top our warranty. Above all else, we can deliver your pump in record time.
Industry Applications
- Oil & Gas
- Agriculture
- Chemical
- Manufacturing Processes
- Aviation
- Pipeline
Ideal Product Applications
Standard Duty Ductile Iron
High Pressure
Heavy Duty SS Hammer
Oxygenates
Dyes (i.e. Diesel & Product Tracking)
Gasoline
Fuel Additives
Pipe Sampling
Diesel
Liquid Gas Products
Jet Fuels
Fertilizers
Chemicals
Withstand Static PSI Up To 100 PSI
Withstand Static PSI Up To 2500 PSI
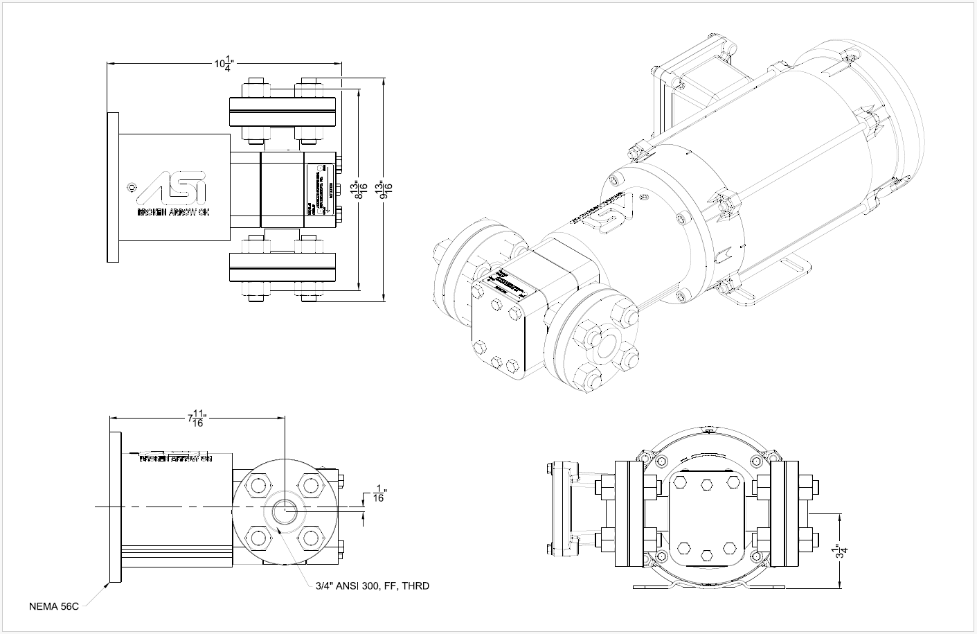
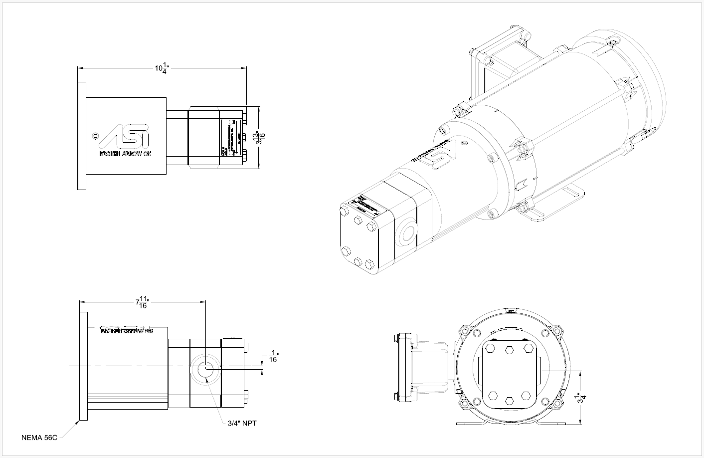
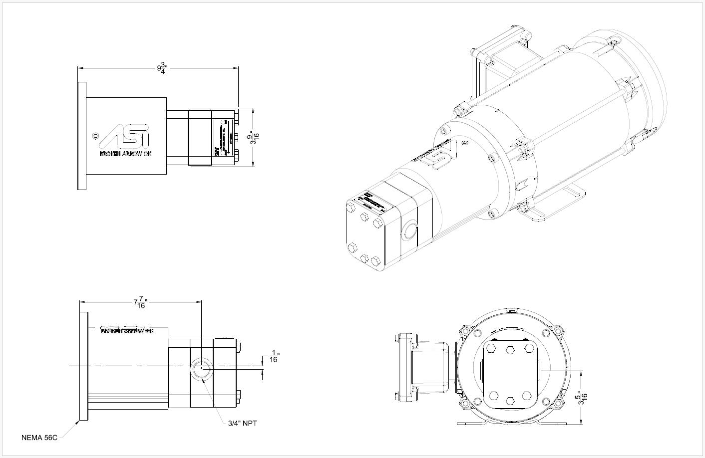
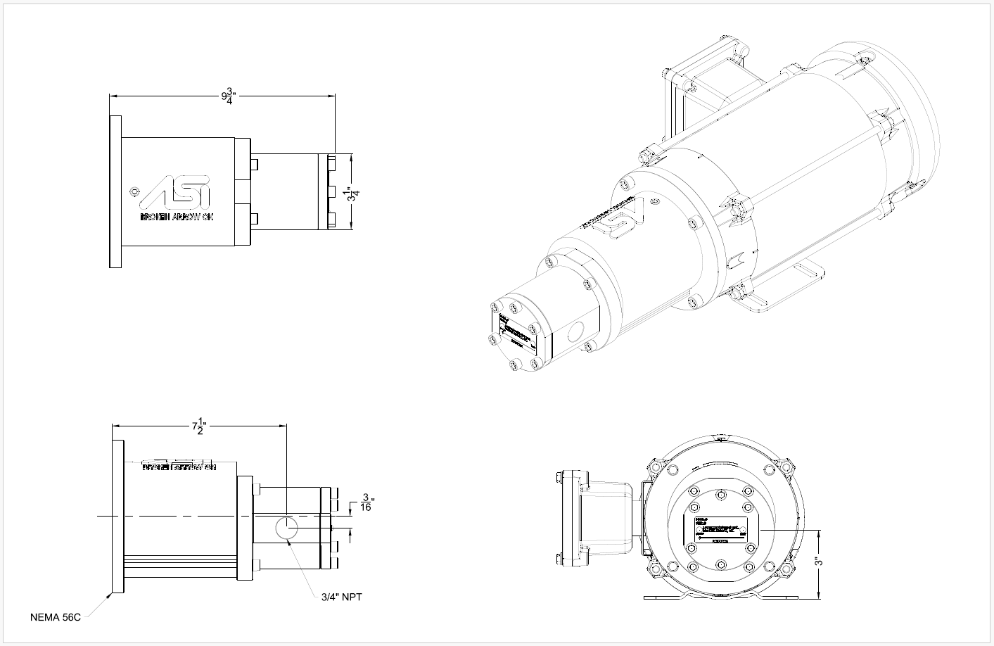
High Pressure Pumps
The XP series high pressure pumps is one of our newest additive pumps. It was introduced in the first part of 1997. Our standard magnetically driven gear pumps can withstand pressures up to 2800 PSI. This is usually more than adequate in the refined products industry, but the pipeline industry, for example, can require much higher pump pressure ratings. In a situation where a customer demands a pump for pulling samples off a 12″ pipeline spanning across two states the XP series pumps can really deliver.






